欢迎来到上海鄂泉泵业有限公司网站!
咨询电话:021-592609802BV系列水环真空泵具有结构紧凑、占地面积小、运行平稳、噪音低等优点,广泛应用于食品、化工、制药等行业的真空蒸发、真空浓缩、真空干燥等工艺过程中。其抽气速率范围广,可根据实际需求进行选择,能够满足不同规模生产的要求。

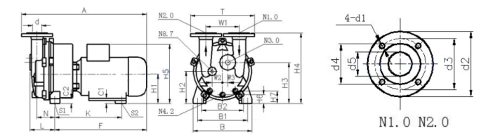
水环式真空泵安装尺寸图:

型号 | A | B | B1 | B2 | C1 | C2 | H1 | H2 | H3 | H4 | H5 |
2BV5110 | 637 | 325 | 255 | 190 | 41 | 26 | 140 | 156 | 202 | 361 | 328 |
2BV5111 | 679 | 325 | 265 | 216 | 36 | 26 | 150 | 166 | 212 | 371 | 363 |
2BV5121 | 771 | 347 | 265 | 216 | 36 | 26 | 150 | 167 | 217 | 385 | 363 |
2BV5131 | 852 | 377 | 300 | 254 | 35 | 30 | 175 | 194 | 249 | 427 | 435 |
2BV5161 | 1044 | 479 | 370 | 279 | 30 | 30 | 210 | 225 | 303 | 521 | 485 |
型号 | H6 | H7 | K | L | F | N | S1 | S2 | T | d1 | d2 |
2BV5110 | 38 | 57 | 342 | 130 | 464 | 92 | φ12 | φ12 | 340 | 19 | 160 |
2BV5111 | 48 | 68 | 348 | 130 | 500 | 92 | φ12 | φ12 | 340 | 19 | 160 |
2BV5121 | 39 | 60 | 430 | 147 | 584 | 97 | φ12 | φ12 | 381.5 | 19 | 182 |
2BV5131 | 53 | 76 | 477.5 | 147 | 658.5 | 103 | φ15 | φ15 | 381.5 | 19 | 182 |
2BV5161 | 51 | 80 | 565 | 201 | 808 | 138 | φ15 | φ15 | 450 | 22 | 200 |
型号 | d3 | d4 | d5 | W1 | W2 | W3 | d | N3.0 | N4.2 | N8.7 | |
2BV5110 | 123 | 97 | 52 | 180 | 52 | 27 | DN50 | G3/4' | G3/8' | G3/8' | |
2BV5111 | 123 | 97 | 52 | 180 | 52 | 27 | DN50 | G3/4' | G3/8' | G3/8' | |
2BV5121 | 142 | 113 | 66.5 | 200 | 57 | 29 | DN65 | G3/4' | G3/8' | G3/8' | |
2BV5131 | 142 | 113 | 66.5 | 200 | 57 | 29 | DN65 | G3/4' | G3/8' | G3/8' | |
2BV5161 | 156 | 130 | 80 | 250 | 81 | 41 | DN80 | G3/4' | G3/8' | G3/8' |
水环式真空泵具有较高的抽气效率和较低的能耗。该系列产品适用于抽吸一般气体及含有少量水蒸气的气体,在电力、造纸、纺织等行业有着广泛的应用。在实际应用中,SK系列水环真空泵能够稳定运行,为企业降低生产成本,提高生产效率。